
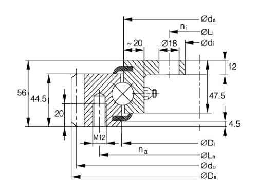
洛陽普瑞森精密軸承(PRS)為用戶提供PLA系列內法蘭外齒型回轉支承,可代替INA公司VLA系列。同時,我們也可以根據客戶自己的需要重新設計,我們經驗豐富,產品系列齊,完可以滿足用戶對標準及非標準回轉支承的需要,歡迎新老客戶前來訂購。
注:
1、詳情技術參數請以PRS公司技術圖紙為準。
2、如有其他技術要求請在訂貨時別說明。
3、如有需要或疑問,請聯系我們,我們會盡快為您答復。您也可以直接發郵件到sales@lyprs.com;或致電:400-680-3790,或者直接咨詢在線客服。